發布日期2018.04.19 ?|
作者:
來源:
意大利OMAC蠕動泵AMP系列
意大利OMAC蠕動泵AMP系列主要型號:
AMP-10/B 、AMP-13/B 、AMP-16/C 、AMP-19/C 、AMP-22
意大利OMAC蠕動泵AMP系列主要特點:
壓鑄鋁體,由兩個安裝在軸承上并固定在強力中心轉子上的滾輪組成的。
壓緊元件,可根據工作壓力對滾輪進行勻膠。
可用三個滾輪轉子減少脈動。
壓力8巴(AMP 19B2巴)。
意大利OMAC蠕動泵AMP系列配件
管道裂紋傳感器
液壓氣動或靜態補償裝置
連接 TRI-CLAMP, DIN 11851, SMS, NPT in acc. INOX
提供PVC或PVDF連接
脈沖計數傳感器用于計量
意大利OMAC蠕動泵AMP系列參數
| 型號 | AMP-10/B | AMP-13/B | AMP-16/C | AMP-19/C | AMP-22 |
| 體積流量 | 0.023 l/giro | 0.038 l/giro | 0.095 l/giro | 0.123 l/giro | 0.246 l/giro |
| 連接 | 3/8” | 3/8” | 3/4” | 1” | 1” |
| 壓力 | 8 bar | 8 bar | 8 bar | 2 bar | 8 bar |
| 壓緊系統 | Rulli | Rulli | Rulli | Rulli | Rulli |
| 可用橡膠軟管 | NR NBR EPDM HYPALON NR-A NBR-A |
NR NBR EPDM HYPALON NR-A NBR-A |
NR NBR EPDM HYPALON NR-A NBR-A |
NR NBR EPDM HYPALON NR-A NBR-A |
|
| 可用熱塑管 | NORPRENE SANTOPRENE |
NORPRENE SANTOPRENE |
NORPRENE |
NORPRENE SANTOPRENE TYGON |
SANTOPRENE SANTOPRENE |
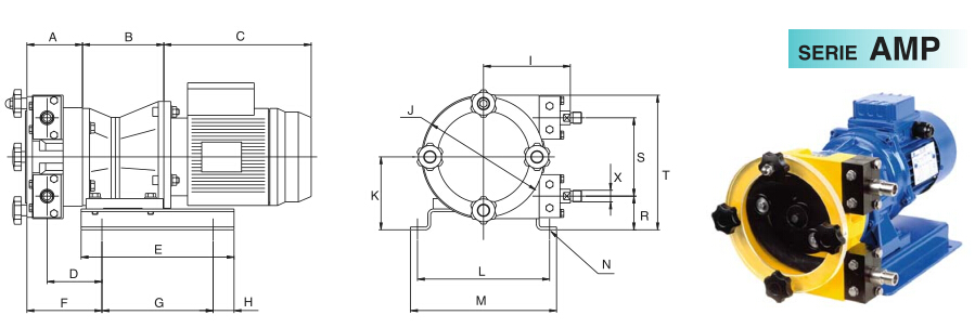
意大利OMAC蠕動泵AMP系列尺寸

| 型號 | A | B | C | D | E | F | G | H | I | J | K | L | M | N | R | S | T | X |
| AMP 10/B - 13/B | 80 | - | - | 71 | 220 | 108 | 160 | 30 | 130 | Ø 176 | 117 | 190 | 210 | Ø 9 | 60 | 115 | 210 | 3/8"Gas |
| AMP 16/C | 120 | - | - | 93 | 220 | 130 | 160 | 30 | 155 | Ø 240 | 145 | 190 | 210 | Ø 9 | 60 | 170 | 265 | 3/4" Gas |
| AMP 19/C | 120 | - | - | 93 | 220 | 130 | 160 | 30 | 155 | Ø 240 | 145 | 190 | 210 | Ø 9 | 60 | 170 | 265 | 1" Gas |
| AMP 22 | 110 | - | - | 95 | 225 | 147 | 175 | 25 | 211 | Ø 315 | 185 | 245 | 275 | Ø 13 | 85 | 201 | 355 | 1" Gas |
上海川奇優勢代理意大利OMAC蠕動泵AMP系列及其他系列產品,正規代理,品質保證?。?a href="http://www.bjdishi.com/guanyu/zhengshu/" target="_blank">查看OAMC代理證書)